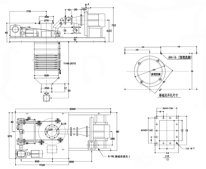
SZ-25型散裝機
![]() |
![]() |
主要技術參數
型號/參數
|
SZ-25
|
散裝頭升降電機功率(kw)
|
0.55
|
卸料口直徑(mm)
|
200
|
風機流量(m3/h)
|
1000
|
裝車能力(t/h)
|
80~100
|
風壓(Pa)
|
200
|
散裝頭升降速度(m/min)
|
9
|
風機電機功率(kw)
|
34
|
散裝頭升降行程(mm)
|
1500(按用戶要求)
|
控制方式
|
手動/自動
|
SZ-25型外形尺寸圖
下一頁:DMC型脈沖袋式倉頂除塵器

